產品型號:SN74LS42N
產品品牌:TI
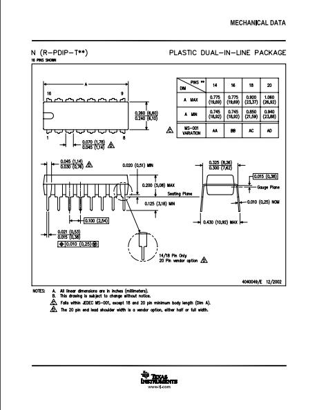
產品封裝:PDIP-16
產品功能:解碼器
SN74LS42N 的說明
這些單片 BCD 到十進制解碼器由八個反相器和十個四輸入與非門組成。反相器成對連接,使 BCD 輸入數據可用于 NAND 門解碼。有效輸入邏輯的完整解碼確保所有輸出在所有無效輸入條件下保持關閉。
'42A 和 'LS42 具有與大多數 TTL 和其他飽和低電平邏輯電路兼容的輸入和輸出。DC 噪聲容限通常為一伏。
SN5442A 和 SN54LS42 的特點是可在 -55°C 至 125°C 的整個軍用溫度范圍內工作。SN7442A 和 SN74LS42 的特點是在 0°C 至 70°C 的溫度范圍內工作。
SN74LS42N 的特性
●對于無效輸入條件,所有輸出都為高電平
●也適用于4 線到 16 線解碼器
●3 線到 8 線解碼器
●二極管鉗位輸入
封裝圖

公眾號/視頻號


更多產品詳情信息請聯系本公司
LM3478MAX/NOPB
藍信商城:http://www.lanxinwgsc.cn/products.php?CateId=1
公司官網:http://www.lanxinic.com/index.php
關于 深圳市藍信偉業電子有限公司深圳市藍信偉業電子有限公司是一家專業代理、分銷世界名牌IC的科技公司,本公司系MAXIM(美國美信) 、JRC(新日本無線)、ROHM( 羅姆半導體)、TMTECH(凱鈺科技)、ISD(臺灣華邦語音系列)、APLUS(臺灣巨華語音系列)、ST(意法半導體)、TI(德洲儀器)、 TOSHIBA(東芝半導體)、UTC(臺灣友順)、ON(安森美半導體)、NXP(恩智浦半導體)、Nuvoton(新唐科技)、CJ(長電科技)、UniOhm( 厚聲)、 FH(風華高科)、Samsung(三星)、yageo(國巨)、Murata(村田)專營店, 所經營產品廣泛應用于民用、工業、軍工等電 子產品領域,主要有: 運算放大器、比較器、電源IC、通訊IC、電動機IC、視頻IC、光電半導體、音頻IC、LED驅動器、LCD驅動器、模擬 開關、微處理器外圍IC、A/D轉換器、VFD驅動器、水晶振蕩器IC、汽車電子、時鐘發生器與分配器接口、互聯、信號完整傳感器、監控電 路、電壓監測器、排序器、一次性語音IC、多次性語音IC、二三極管、電容、電阻、電感等。
同時,本公司還專門為:音響、車載音響 、調音臺、功放前級、無線麥克風、LCD/M液晶模塊、舞臺燈光、安防監控、點歌機、對講機、網絡攝像機、醫療器械、 藍牙耳機、樓宇對講等廠家提供專業的電子元件配套方案服務!
藍信偉業專業的采購團隊長期關注世界IC市場的最新信息與價格變化,與全球諸多IC制造商. 代理商建立了良好的合作關系,在香港、深圳、上海等地構建了可靠的采購供應網絡. 并憑借資金優勢建立了大量的產品庫存為滿足客戶產品需求提供了強有力的保障。
藍信偉業堅持“質量第一、價格合理、服務至上、共創雙贏”的企業發展理念和宗旨,通過專業的銷售和技術團隊為客戶提供規范化、專業化、全方位的優質服務,并把最先進的IC行業科學技術及產品信息及時傳遞給客戶,為客戶的技術創新和持續生產提供科學的依據。
展望未來,藍信偉業愿真誠與廣大客戶和業界同仁加強合作、共謀發展,建立長期的戰略合作關系,共同為電子業的繁榮發展做出應有的貢獻!
聯系 深圳市藍信偉業電子有限公司
電話 86-755-83681378
